
產品材質由PTFE、非導電添加物混合后和鋼背緊密粘合而成
產品特點具有低摩擦系數、良好的耐磨性和自潤滑性能,涂層厚、消除噪音、無間隙
應用場景廣泛應用于鉸鏈、座椅轉動部件、滑軌、傳動鏈、辦公機械、食品醫療器械等場合
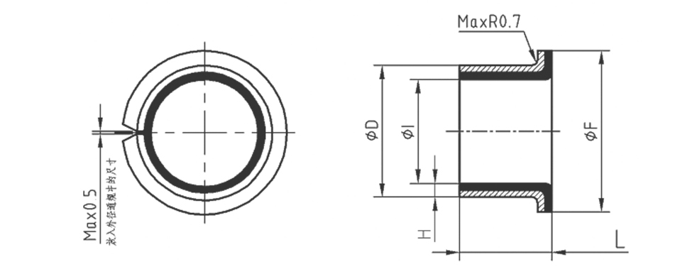
| H | 0.50-0.04 | 0.75+0.01-0.04 | ||
| L±0.2 | 5 | 6 | 7 | 8 |
| 項目 | 單位 | 材料型號 | ||
| MYB201 | MYB202 | |||
| 最大承載P | 動載 | MPa | 100 | 100 |
| 靜載 | MPa | 180 | 180 | |
| 最大線速度V(脂潤滑) | m/s | 2 | 2 | |
| 最高PV值 | N/mm2·m/s | 1.8 | 1.8 | |
| 摩擦系數 | - | ≤0.25 | ≤0.25 | |
| 壓縮變形 23℃/100MPa/1h | mm | ≤0.03 | ≤0.03 | |
| 體積電阻率 | ?cm | ≤106 | >1012 | |
| 工作溫度 | 長期 | ℃ | -150 ~ +180 | -150 ~ +180 |
| 短期 | ≤260 | ≤260 | ||
| 導熱系數 | W(m·k) | 18 | 18 | |
| 熱膨脹系數 | K-1 | 25X10-6 | 25X10-6 | |